热塑PVC管材纵向拉伸强度叼嘿视频大全顾名思义是一款用来检测热塑PVC管材材料的力学试验设备,本文叼嘿视频免费看仪器小编来和大家一起了解关于这款叼嘿视频大全的试验要求问题。
1.试验要求:
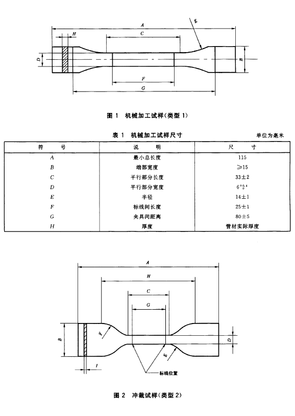
热塑PVC管材拉伸试样尺寸满足:
热塑PVC管材纵向拉伸强度叼嘿视频大全试验要求:

2.硬聚氯乙烯(PVC-U)和高抗冲聚氯乙烯(PVC-HI)管材,试样应按a)或b)制备。
1)管材壁厚小于或等于12 mm采用冲裁(见图2)或机械加工(见图1)方法制样。试验室间比对和仲裁试验采用机械加工方法制样。
2)管材壁厚大于12 mm采用机械加工方法制样(见图1)
氯化聚氯乙烯(PVC-C)管材或(PVC-U/PVC-C)共混料制作的管材不论其厚度大小均采用机械加工方法制样。
冲裁方法:
热塑PVC管材纵向拉伸强度测试机应按照GB/T 8804. 2或GBJT $804. 3中所要求的外形,选择合适的没有刻痕,刀口干净的裁刀从样条上冲裁试样。
将样条放置于125℃mso℃的烘箱中加热,加热时间按每毫米壁厚加热1 min计算。加热结束取出样条,快速地将裁刀置于样条内表面,均匀地一次施压裁切得试样。然后将试样放置于空气中冷却至常温。
机械加工方法:
用机械加工方法制取试样,需采用铣削。
铣削时应尽量避免使试样发热,避免出现如裂痕、刮伤及其他使试样表面品质降低的可见缺陷。
公称外径大于110 mm规格的管材,直接采用机械加工方法制样。
公称外径小于或等于110 mm规格的管材,应将截取的样条在下列条件下压平后制样。
1)温度:PVC-U或PVC-HI管加热温度为125℃-130℃o PVC-C或PVC-U/PVC-C共混料制;
2)作的管材加热温度为135℃一140 ℃;
3)加热时间:按1 min/mm计算;
4)平面压力:施加的压力不应使样条的壁厚发生减小。压平后在空气中冷却至常温,然后用机械 加工方法制样。